NISSANステージア M35型 配線図集 2冊 NISSANステージア C34型 配線図集 2冊 - メルカリ
(3290件)
Pontaパス特典
サンキュー配送
7540円(税込)
76ポイント(1%)
Pontaパス会員ならさらに+1%ポイント還元!
送料
(
)
3282
配送情報
お届け予定日:2026.04.22 23:47までにお届け
※一部地域・離島につきましては、表示のお届け予定日期間内にお届けできない場合があります。
ロットナンバー
71898194944
お買い物の前にチェック!
Pontaパス会員なら
ポイント+1%
ポイント+1%
商品説明



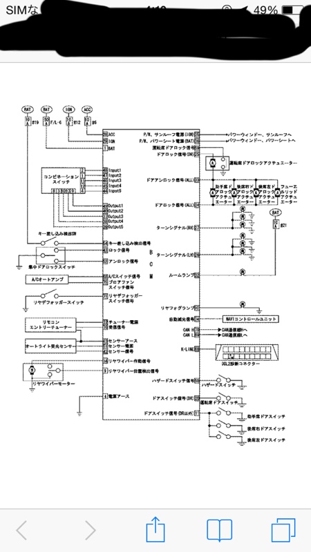
NISSANステージア M35型 配線図集 2冊古いものなので汚れ、色褪せあります。写真にてご確認下さい。
| カテゴリー: | 車・バイク・自転車>>>アクセサリー>>>カタログ・マニュアル |
|---|---|
| 商品の状態: | やや傷や汚れあり","目につく傷や汚れがある |
| ブランド: | 日産 |
| 配送料の負担: | 送料込み(出品者負担) |
| 配送の方法: | 佐川急便/日本郵便 |
| 発送元の地域: | 茨城県 |
| 発送までの日数: | 1~2日で発送 |
レビュー
商品の評価:




4.3点(3290件)
- ちゃい8978
- 娘のiPhone用に… すぐにワイヤレスイヤホンの充電を忘れるので… 娘は満足っと喜んでます
- (*´ω`*)0771
- 開封し、取り付けようとした時、最初はどうなるかと思いましたが、サイトの商品イメージを見ていたので、何とか、うまく装着できました。SHUREのヘッドフォンを買う時に、ヘッド部の劣化と、耳あての装着が難しい点が記してあって、その点を加味すれば、安く好い商品が買えるというコメントを見て買ったのですが、気をつけて使っていたら、案外、長く使えていたのですが、気を抜いたら、一気に劣化、ボロボロに。この商品の御蔭で、復活です。助かります。
- HAL9766
- これは非常に着け心地が良い、後は耐久性がどうなるか?
- miyamayu0610jp
- 良い商品だと思います。白色が売り切れなので黒色の商品にしましたその点だけが
- 腸☆ゆきな
- 今のところストラップを付けた状態でも問題なく操作できています。 マグネット付きは便利ですね。 落す心配、無くす心配から解放されて一安心!
- ひでくん3309
- 早速使用してみました。コードを止める切り欠き部の径がイメージより少し小さく、平型のコードはちょっとはみ出ますが、十分保持されていますので、大丈夫でした。通常の丸形状は問題ないと思います。クリップの強度も十分と思います。
- でこりふ
- mdr-1am2に着けて使用。中心部分にシワがどうしてもできますが着用時は特に気にならないので満足です
- GARO.
- すぐ剥がれる、むしろ貼り付いていない 境目はすぐ切れるし絶対買わない
- yuta699811
- 微妙に首筋に当たって、くすぐったいのでもう少し材質が硬めでもいいかと。
- BUN太郎
- 無事届きました 以前からイヤホンが落ちないか心配して使用していましたが 安心して使える様になりました、ありがとうございました。
- mikanhoshi
- 商品無事に到着しました。まさかヘッドカバーがあるとは夢にも思いませんでした。使い勝手もよく満足です。
- うさぎusagi6520
- 今使っているヘッドセットのイヤーフックとはサイズが違うものの、マイク感度が悪くて使わなくなったヘッドセットほうがこちらのサイズだったので、予備として購入。
- 仕事・部屋
- 今のところストラップを付けた状態でも問題なく操作できています。 マグネット付きは便利ですね。 落す心配、無くす心配から解放されて一安心!
- ロミタンタン
- マグネット状で巻き付け固定するものですが意外とマグネットが強くコードがばらけず束ねられます。
- たかゆか式ママ
- 早く届きました!絶対に落としたくなかったのでとても助かってます!
すべて見る
お店の情報
7,367
連絡・応対
4.3
配送スピード
4.3
梱包
4.3










