ハイラックスサーフ 配線図集 サーフ用資料
(3282件)
Pontaパス特典
サンキュー配送
6000円(税込)
60ポイント(1%)
Pontaパス会員ならさらに+1%ポイント還元!
送料
(
)
3282
配送情報
お届け予定日:2026.04.14 7:31までにお届け
※一部地域・離島につきましては、表示のお届け予定日期間内にお届けできない場合があります。
ロットナンバー
71898182039
お買い物の前にチェック!
Pontaパス会員なら
ポイント+1%
ポイント+1%
商品説明


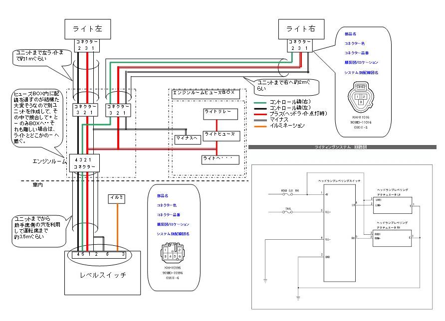
215系ハイラックスサーフの配線図集です。中のページは比較的綺麗な方だと思います。
| カテゴリー: | 車・バイク・自転車>>>アクセサリー>>>カタログ・マニュアル |
|---|---|
| 商品の状態: | やや傷や汚れあり","目につく傷や汚れがある |
| 配送料の負担: | 送料込み(出品者負担) |
| 配送の方法: | 佐川急便/日本郵便 |
| 発送元の地域: | 静岡県 |
| 発送までの日数: | 2~3日で発送 |
レビュー
商品の評価:




5.0点(3282件)
- evamarry
- ゴミや埃が入るのが気になっていたので購入しました。貼りづらかったですが、買って良かったです!
- haruka1623
- 抜け落ちることもなく、LR確認もできるし、シリコンの太さ長さもちょうどよく、安心してエアーポッズが使えています。色も白にして良かったです。シリコンケースのカラピナ用の穴ニ通して持ち歩きしてます。
- ひまなさん
- シールでした。安いだけの事はあるなって感じです。
- ようchan39
- とても安く購入できました。 発送も問題ありませんでした。
- まーちゃん1545
- 落下防止という事では良いのですが、丸穴に差し込むタイプなので軸に対しての向きが、決まりづらいので耳の外にフックする物ではない別の商品を、再注文しました。
- ミニョンサマ
- 落ちなくなりました! とても良かったです!
- むぅ5026
- ちょうどいい長さで、しっかり止めています。ナイト色を購入しましたが、夜の感覚はまだ確認していません。日中の半透明色は服と合わせにくいようで、別の色を購入し日中用にして、ナイト色は夜だけ使うかと思っています。
すべて見る
お店の情報
7,367
連絡・応対
4.3
配送スピード
4.3
梱包
4.3










